Sabtu, 23 Januari 2021

Diagrama Electrico Honda Civic 2006

2006 Honda Civic Ac Wiring Diagram wiring diagram is a simplified standard pictorial representation of an electrical circuit. Los diagramas eléctricos o esquemas eléctricos son representaciones en imágenes o dibujos de los.

Diagrama Electrico Honda Civic L4 1 8l 2006


Diagrama y esquema eléctrico de Honda Civic 2006.

Diagram Honda Civic 2006 Wiring Diagram Full Version Hd Quality Wiring Diagram Mediagrame Newsymposium It


Obd2 Wiring Diagram Toyota 4runner Honda Civic Toyota


Diagram Honda Civic Wiring Diagram Full Version Hd Quality Wiring Diagram Mediagrame Newsymposium It


Honda Civic Wiring Diagram Honda Civic Diagram Ford F150


Diagram Wiring Diagram De Serviaƒa O Honda Civic Full Version Hd Quality Honda Civic Ciruitdiagram Newsymposium It


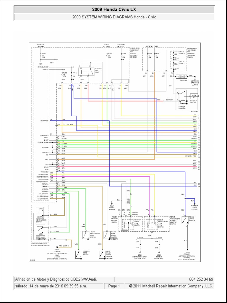
Honda Civic Lx 2009 Sistema De Carga Y Arranque Pdf Pdf Empresas Manufactureras De Japon Fabricantes De Automoviles De Japon


Repair Guides Wiring Diagrams Wiring Diagrams 5 Of 103 Repair Guide Honda Civic Electrical Circuit Diagram


1992 Honda Civic Ex Wiring Diagram Honda Civic Engine Honda Civic Ex Civic Ex


How To Use Honda Wiring Diagrams 1996 To 2005 Training Module Trailer Youtube


Diagram Rhd Ek Civic Wiring Diagram Full Version Hd Quality Wiring Diagram Toyotadiagrams Andreapendibene It


Diagramas Electricos Automotrices Chrysler 2 Shadow Relay Dodge


Unique Ac Schematics Diagram Wiringdiagram Diagramming Diagramm Visuals Visualisation Graphical Honda Accord Honda Civic Engine Honda Civic


Honda Wiring Diagram In 2021 Diagram Honda Accord Honda Civic


15 D16y8 Engine Wire Harness Diagram Engine Diagram Wiringg Net


Diagram Honda Civic Wiring Diagram De Taller Full Version Hd Quality De Taller Blankdiagram Newsymposium It


Electronic Circuits Page 715 Next Gr Honda Shadow Honda Honda Civic


Diagram Honda Civic 2001 Wiring Diagram Full Version Hd Quality Wiring Diagram Mediagrame Newsymposium It


Arnes De Cableado De Dodge Ram Dodge Ram Dodge Ram


Obd1 Gsr Into 94 Cx Hatch In 2021 Honda Civic Engine Honda Civic Honda



Tidak ada komentar:

Posting Komentar

Cuando Se Creo Fiat

Fiat fue de las. Historia Fiat - FIAT México. Rarezas Varias Pagina 5 Autos Fiat Coches Retro Coches Clasicos