Ford Focus 2000-2005 Service Repair Workshop Manual Download PDF Download Now. Libros electrónicos gratis en PDF guía manuales hojas de usuarios sobre Manual despiece ford focus listo para su descarga.
0800-888-3673 en chile wwwfordcl.
Despiece ford focus pdf. Puede descargar versiones en PDF de la guía los manuales de usuario y libros electrónicos sobre despiece ford focus pdf también se puede encontrar y descargar de forma gratuita un manual en línea gratis avisos con principiante e intermedio Descargas de documentación Puede descargar archivos PDF o DOC y PPT acerca despiece ford focus pdf. New focus manual del propietario 06-2008tel. Ford Focus 2007 Service Repair Workshop Manual Download PDF.
Quiero descargar un libro llamado. Puede descargar versiones en PDF de la guía los manuales de usuario y libros electrónicos sobre despiece ford focus también se puede encontrar y descargar de forma gratuita un manual en línea gratis avisos con principiante e intermedio Descargas de documentación Puede descargar archivos PDF o DOC y PPT acerca despiece ford focus. Manual despiece ford focus.
Lista de libros electrónicos y sobre manuels Manual despiece ford focus. Puede descargar versiones en PDF de la guía los manuales de usuario y libros electrónicos sobre despiece ford focus i también se puede encontrar y descargar de forma gratuita un manual en línea gratis avisos con principiante e intermedio Descargas de documentación Puede descargar archivos PDF o DOC y PPT acerca despiece ford focus. Ford Fiesta Focus Focus C-Max Focus RS Fusion Galaxy KA StreetKA 1995-2004 Service Repair Workshop Manual Download PDF Download Now.
Ford Focus Mk2 Manual De Taller Manual De Uso
Ford Focus Mk1 1998 2004 Manual De Taller Manuel De Reparation Manuale Di Officina Youtube
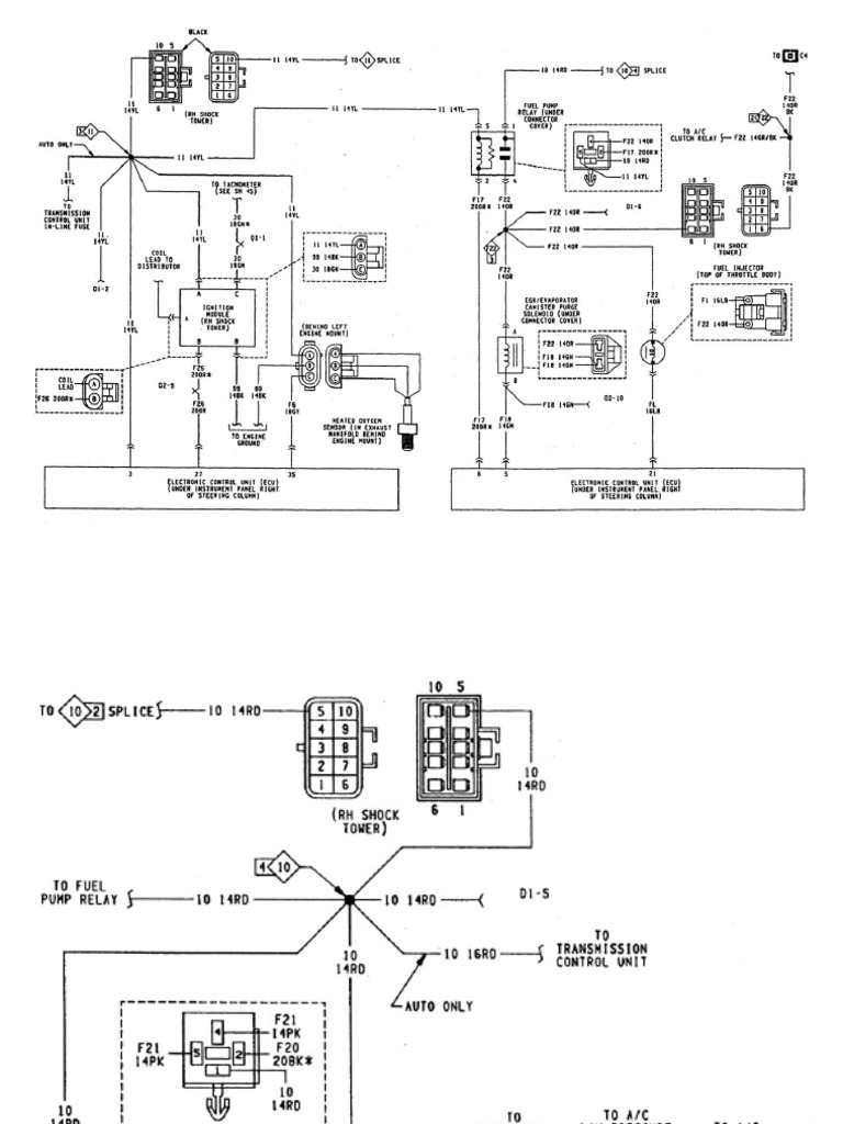
Diagram Wiring Diagram Despiece Ford Focus Full Version Hd Quality Ford Focus Jdiagram Arangara It
Manual De Taller Ford Focus Mk2 1 8 1 6 Tdci Youtube
Descargar Manual Ford Focus Gratis En Pdf Youtube
Mechanics And Repair Manual Ford Focus 2011 2014
Diagram Focus St Engine Diagram Full Version Hd Quality Engine Diagram Blankdiagram Newsymposium It
Diagrama Electrico Ford Focus Fiesta Motor Zetec Rocam 1 6l Pdf
Pin On Carroceria De Vehiculos
Manual De Taller Ford Fiesta 1995 2002 Espanol
Manual De Taller Ford Focus 2 0 Duratec Youtube
Diagram Ford Focus Se Engine Diagram Full Version Hd Quality Engine Diagram Lendiagram Arangara It






Tidak ada komentar:
Posting Komentar