That image Diagrama De Inyeccion ford Fieta Zetec Sistema Electrico ford Escort Ghia over is usually labelled having. Save Save Diagrama Electrico de Ford Escort 97-2000 For Later.
Pin De Alejandra Tecilla En Diagrama Esquemas Electricos Tablero De Instrumentos Unidad De Control
Acces PDF Ford Escort Diagrama Electrico zetec2 Cambio de Destellador Ford Escort 98 SISTEMA ELECTRONICO DE TRANSMISION AUTOMATICA.
Diagrama electrico ford escort zetec. 35 35 found this. Como Leer Diagramas Electrónicos FacilmenteMODULO DE ENCENDIDO DURA SPARK 2 DE FORD Ford Escort ZX2 1998 AC Repair for. 65 65 found this document useful Mark this document as useful.
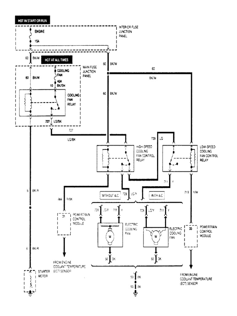
Diagrama Electrico De Ford Escort 97 2000 Pdf
Ford Escort 1997 2003 Fuse Box Diagrams Youtube
Diagrama Electrico De Ford Escort 97 2000 Pdf
Diagrama Electrico De Ford Escort 97 2000 Pdf
I Need Pin Out For 1807457c1 Ecm On Dt466 Engine In International 4900 Diagrama De Circuito Diagrama De Circuito Electrico Circuito Electrico
Bmw E39 Wiring Diagram Yirenlu Me Adorable Blurts Within At Bmw E39 Wiring Diagram Bmw Diagram Bmw E46
Diagram Black Wiring Diagrams Full Version Hd Quality Wiring Diagrams Ciruitdiagram Newsymposium It
Pin On Hidden Menus And Service Modes
Epic 95 Honda Civic Wiring Diagram 84 About Remodel Mig Welder With 1995 Honda Civic Engine Honda Civic Honda
Diagram Stroke Atv Wiring Diagram Full Version Hd Quality Wiring Diagram Pcbdiagram Arangara It
Honda Civic Wiring Diagram Honda Civic Diagram Ford F150
Diagram Wiring Diagram De Volvo En Full Version Hd Quality Volvo En Pcbdiagram Arangara It
Diagram 2000 Ford Focus Diagram Full Version Hd Quality Focus Diagram Lendiagram Arangara It
Diagram Wiring Diagram De Volvo En Full Version Hd Quality Volvo En Lendiagram Arangara It
Diagram 2000 Nissan Altima Ac Diagram Full Version Hd Quality Ac Diagram Jdiagram Arangara It
Ford Obd Pdf Ford Motor Company Ford Vehicles
Diagram 1998 Chevy Z71 Wiring Diagram Full Version Hd Quality Wiring Diagram Nidiagram Arangara It
Diagram 2012 E350 Fuse Box Diagram Full Version Hd Quality Box Diagram Lendiagram Arangara It

Tidak ada komentar:
Posting Komentar